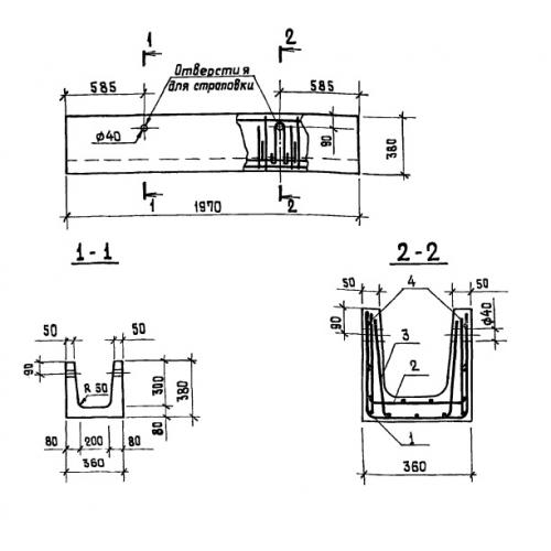
ЛТ 1

Чертеж изделия:
Характеристики изделия:
ПараметрЗначение
длина1970 мм
ширина360 мм
высота380 мм
вес350 кг
серияТП 902-2-356

ЛТ 1 Лотки  по проекту ТП 902-2-356.