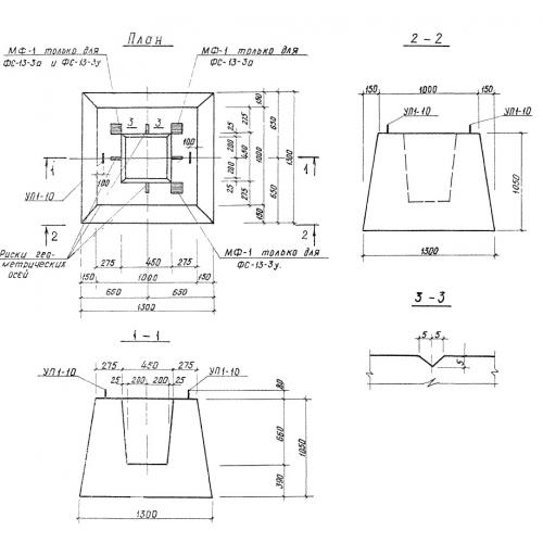
Ф 13 фундаменты для колонн

Чертеж изделия:
Характеристики изделия:
ПараметрЗначение
длина1300 мм
ширина1300 мм
высота1050 мм
масса3190 кг
нормативный документСерия ИИ 04-1

Ф 13 Фундаменты по Серии ИИ 04-1.