ПУ 5.0-6.0

Чертеж изделия:
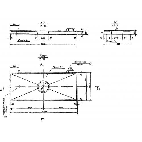
Характеристики изделия:
ПараметрЗначение
длина3600 мм
ширина1500 мм
высота200 мм
вес2575 кг
серия3.820-9

ПУ 5.0-6.0 Плиты упорные по серии 3.820-9.