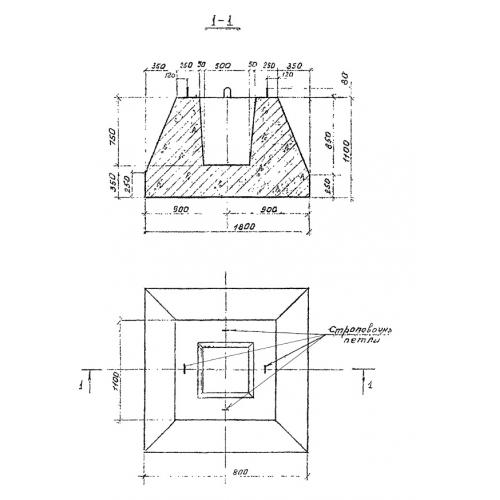
Ф-2

Чертеж изделия:
Характеристики изделия:
ПараметрЗначение
длина1800 мм
ширина1800 мм
высота1100 мм
вес7350 кг
серия3.507 КЛ-10

Ф-2 Фундаменты по серии 3.507 КЛ-10.