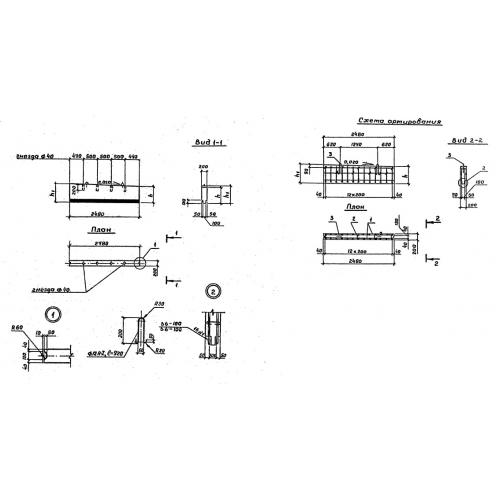
БШ 25-5

Чертеж изделия:
Характеристики изделия:
ПараметрЗначение
длина2480 мм
ширина200 мм
высота640 мм
вес750 кг
серия3.503.1-79

БШ 25-5 Блоки шкафных стенок по серии 3.503.1-79.