П 25-15
Характеристики изделия:
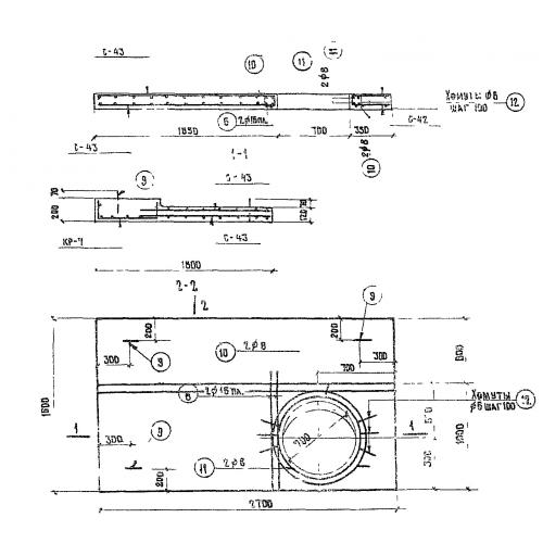
| Параметр | Значение |
|---|---|
| длина | 2700 мм |
| ширина | 1500 мм |
| высота | 200 мм |
| масса | 1500 кг |
| нормативный документ | Серия 3.503-21 |
Цена:
Рассчитать стоимостьП 25-15 Плиты перекрытия смотровых колодцев по Серии 3.503-21.
| Параметр | Значение |
|---|---|
| длина | 2700 мм |
| ширина | 1500 мм |
| высота | 200 мм |
| масса | 1500 кг |
| нормативный документ | Серия 3.503-21 |
П 25-15 Плиты перекрытия смотровых колодцев по Серии 3.503-21.
