ОП 1
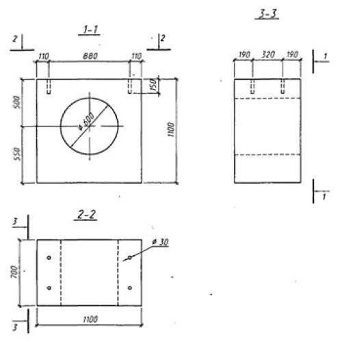
Характеристики изделия:
| Параметр | Значение |
|---|---|
| длина | 1100 мм |
| ширина | 1100 мм |
| высота | 700 мм |
| вес | 1150 кг |
| серия | 3.501-180.95 |
Цена:
Рассчитать стоимостьОП 1 Опорные подушки по серии 3.501-180.95.
| Параметр | Значение |
|---|---|
| длина | 1100 мм |
| ширина | 1100 мм |
| высота | 700 мм |
| вес | 1150 кг |
| серия | 3.501-180.95 |
ОП 1 Опорные подушки по серии 3.501-180.95.
