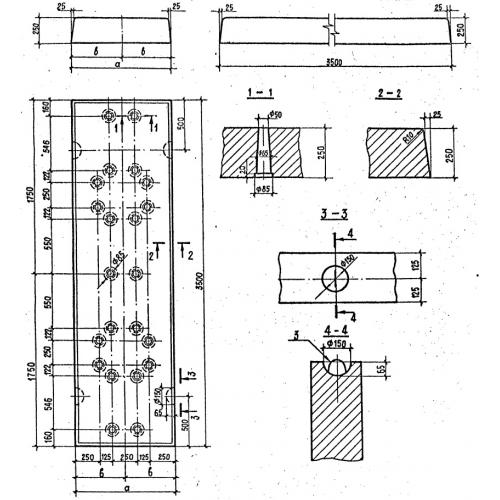
НСП 35.15 Плиты под оборудование ОРУ
Характеристики изделия:
| Параметр | Значение |
|---|---|
| длина | 3500 мм |
| ширина | 1500 мм |
| высота | 250 мм |
| масса | 250 мм |
| нормативный документ | Серия 3.407.1-157 |
Цена:
Рассчитать стоимостьНСП 35.15 Несущие плиты с отверстиями по Серии 3.407.1-157.
