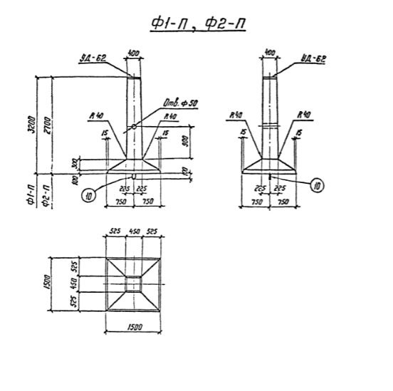
Ф 1 фундамент под опоры

Чертеж изделия:
Характеристики изделия:
ПараметрЗначение
длина1500 мм
ширина1500 мм
высота3200 мм
масса2500 кг
нормативный документСерия 3.407-102

Ф 1 Фундаменты Серия 3.407-102.