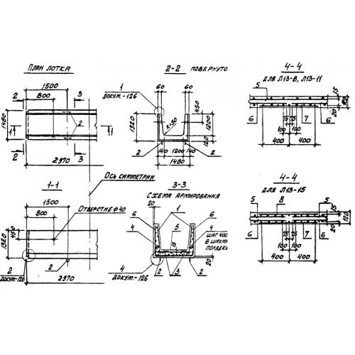
Л 13/2 лотки

Чертеж изделия:
Характеристики изделия:
ПараметрЗначение
длина2970 мм
ширина1480 мм
высота1320 мм
масса3150 кг
нормативный документСерия 3.006.1-2/87

Л 13/2 Лотки теплотрасс Серия 3.006.1-2/87.