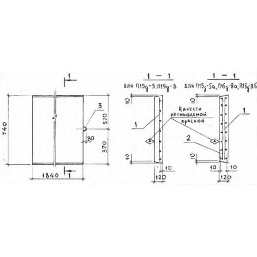
П 15 д

Чертеж изделия:
Характеристики изделия:
ПараметрЗначение
длина740 мм
ширина1840 мм
высота120 мм
масса410 кг
нормативный документСерия 3.006.1-2/82

П 15 д Плиты перекрытия лотков  доборные Серия 3.006.1-2/82.