ПСД 6.12.40

Чертеж изделия:
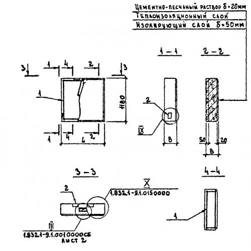
Характеристики изделия:
ПараметрЗначение
длина580 мм
ширина400 мм
высота1180 мм
вес520 кг
серия1.832.1-9

ПСД 6.12.40 Панели стеновые двухслойные по серии 1.832.1-9.