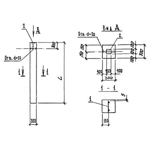
УБ 18.30

Чертеж изделия:
Характеристики изделия:
ПараметрЗначение
длина1785 мм
ширина300 мм
высота300 мм
вес400 кг
серия1.432.1-20

УБ 18.30 Блоки угловые по серии 1.432.1-20.