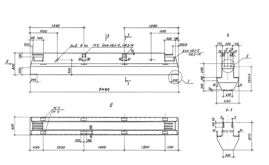
ИБ 3 ригели

Чертеж изделия:
Характеристики изделия:
ПараметрЗначение
длина5480 мм
ширина650 мм
высота800 мм
масса4400 кг
нормативный документСерия 1.420-35.95

ИБ 3  Ригели с полками для опирания плит  Серия 1.420-35.95.