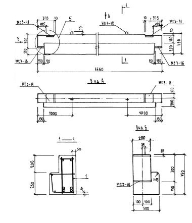
1РЛ 56.3.5

Чертеж изделия:
Характеристики изделия:
ПараметрЗначение
длина5560 мм
ширина300 мм
высота450 мм
масса1650 кг
нормативный документСерия 1.225.1 КЛ-3

1РЛ 56.3.5 Ригели Серия 1.225.1 КЛ-3.