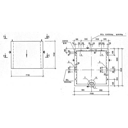
ШЛН 14-32

Чертеж изделия:
Характеристики изделия:
ПараметрЗначение
длина1780 мм
ширина1930 мм
высота1400 мм
вес2600 мм
серия1.189.1-8

ШЛН 14-32 Блоки лифтовой шахты нижние по серии 1.189.1-8.