6БНУ 10.5.50

Чертеж изделия:
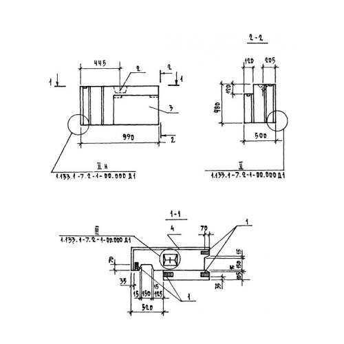
Характеристики изделия:
ПараметрЗначение
длина990 мм
ширина500 мм
высота480 мм
вес230 кг
серия1.133.1-7

6БНУ 10.5.50 Блоки подкарнизные угловые по серии 1.133.1-7.