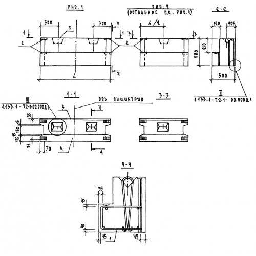
4БН 6.6.50

Чертеж изделия:
Характеристики изделия:
ПараметрЗначение
длина580 мм
ширина500 мм
высота580 мм
вес170 кг
серия1.133.1-7

4БН 6.6.50 Поясные блоки по серии 1.133.1-7.