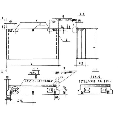
2БН 21.8.50

Чертеж изделия:
Характеристики изделия:
ПараметрЗначение
длина2090 мм
ширина420 мм
высота760 мм
вес730 кг
серия1.133.1-7

2БН 21.8.50 Блоки подоконные по серии 1.133.1-7.