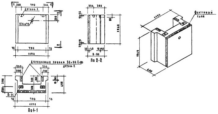
НБО-12.11.6

Чертеж изделия:
Характеристики изделия:
ПараметрЗначение
Длина1190 мм
Ширина600 мм
Высота1060 мм
Масса900 кг
Нормативный документСерия 1.133-1

Стеновые легкобетонные блоки толщиной 60 см по Серии 1.133-1.

НБО-12.11.6  Подоконный блок.