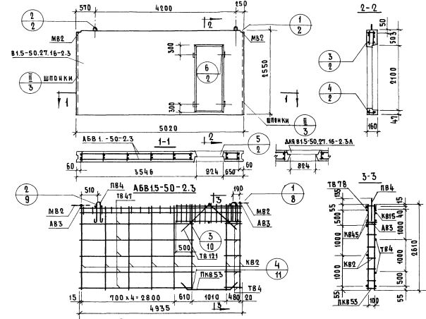
В1.5-50.27.16-2.3л

Чертеж изделия:
Характеристики изделия:
ПараметрЗначение
длина5020 мм
ширина160 мм
высота2650 мм
масса4690 кг
нормативный документСерия 1.131-1

В1.5-50.27.16-2.3л    Внутренние стеновые панели   (Серия 1.131-1).