2ПСН 30.20.45-п-1

Чертеж изделия:
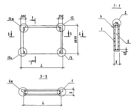
Характеристики изделия:
ПараметрЗначение
длина2990 мм
ширина450 мм
высота2030 мм
масса3800 кг
нормативный документСерия 1.117.1-20

Панели наружных цокольных стен. Панели толщиной 400 и 450 мм (Серия 1.117.1-20).

2ПСН 30.20.45-п-1  Панели стеновые наружные.

п-пористый бетон.