1 ОСП

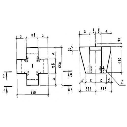
Чертеж изделия:
Характеристики изделия:
ПараметрЗначение
длина650 мм
ширина650 мм
высота450 мм
вес230 кг
серия1.111.1-4

1ОСП Оголовки свайные с платформенным сопряжением по серии 1.111.1-4.