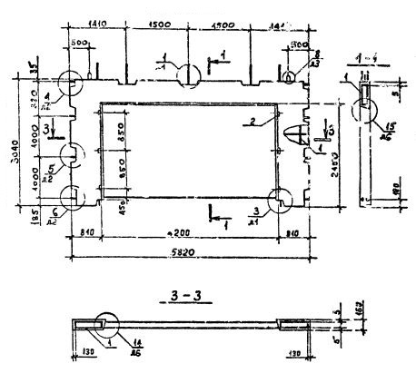
ПВР 58.30.42-Т-С

Чертеж изделия:
Характеристики изделия:
ПараметрЗначение
длина5820 мм
ширина160 мм
высота3040 мм
масса2790 кг
нормативный документСерия 1.090.1-2с

ПВР 58.30.42-7Т-С  Панели внутренние рамные (Серия 1.090.1-2с).

ПВР 58.30.42-3Т-С

3Т - бетон  тяжелый марки М250.

7Т - бетон  тяжелый марки М250, панель с косвенным армированием.

С - для сейсмических районов.