БШЛ 100-30 блок шахты лифта доборный

Чертеж изделия:
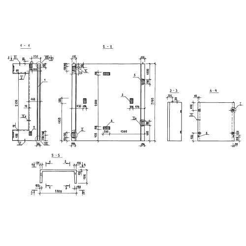
Характеристики изделия:
ПараметрЗначение
длина2820 мм
ширина1050 мм
высота2980 мм
масса3880 кг
нормативный документСерия 1.089.1-1

БШЛ 100-30 Блоки шахт лифтов Серия 1.089.1-1.