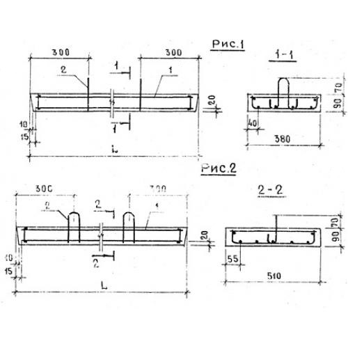
9ПП 14 перемычки плитные

Чертеж изделия:
Характеристики изделия:
ПараметрЗначение
длина1420 мм
ширина510 мм
высота90 мм
масса163 кг
нормативный документСерия 1.038.1-1

9ПП 14  Железобетонные перемычки плитного типа Серия 1.038.1-1.