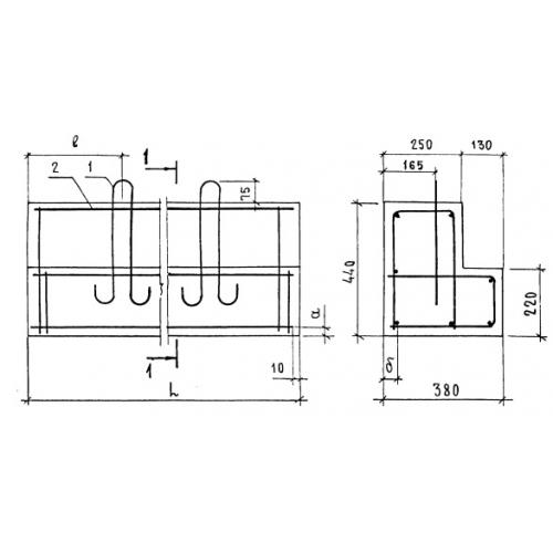
6ПГ 44 перемычки балочные

Чертеж изделия:
Характеристики изделия:
ПараметрЗначение
длина4410 мм
ширина380 мм
высота440 мм
масса1528 кг
нормативный документСерия 1.038.1-1

6ПГ 44  Перемычки балочные Серия 1.038.1-1.