ПСЦ 56.230.35
Характеристики изделия:
| Параметр | Значение |
|---|---|
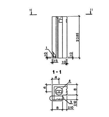
| длина | 560 мм |
| ширина | 2285 мм |
| высота | 560 мм |
| масса | 830 кг |
| нормативный документ | Серия 1.020.1-3пв |
Цена:
Рассчитать стоимостьПСЦ 56.230.35 Панели стеновые цокольные Серия 1.020.1-3пв.
| Параметр | Значение |
|---|---|
| длина | 560 мм |
| ширина | 2285 мм |
| высота | 560 мм |
| масса | 830 кг |
| нормативный документ | Серия 1.020.1-3пв |
ПСЦ 56.230.35 Панели стеновые цокольные Серия 1.020.1-3пв.