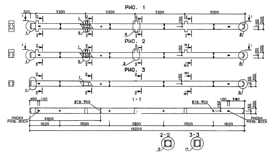
4КД 3.33

Чертеж изделия:
Характеристики изделия:
ПараметрЗначение
длина13200 мм
ширина300 мм
высота600 мм
масса3330 кг
нормативный документСерия 1.020.1-3пв

4КД 3.33  Колонны двухконсольные Серия 1.020.1-3пв.