2КН 4.28

Чертеж изделия:
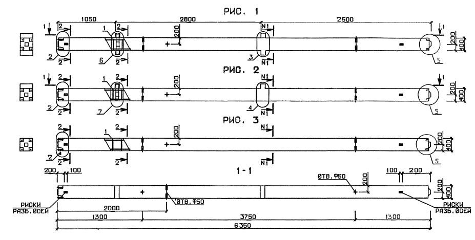
Характеристики изделия:
ПараметрЗначение
длина6350 мм
ширина400 мм
высота400 мм
масса2710 кг
нормативный документСерия 1.020.1-3пв

2КН 4.28  Колонны нижние Серия 1.020.1-3пв.