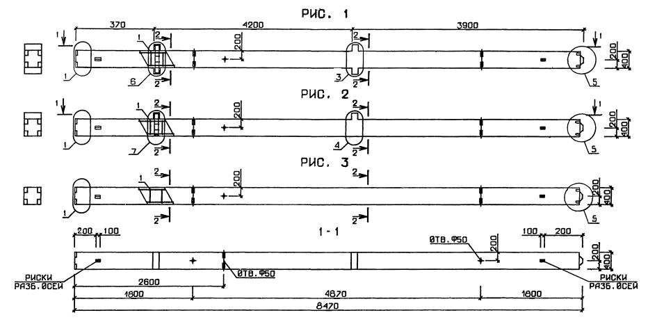
2КБ 4.42

Чертеж изделия:
Характеристики изделия:
ПараметрЗначение
длина8470 мм
ширина400 мм
высота400 мм
масса3500 кг
нормативный документСерия 1.020.1-3пв

2КБ 4.42  Колонны бесстыковые Серия 1.020.1-3пв.