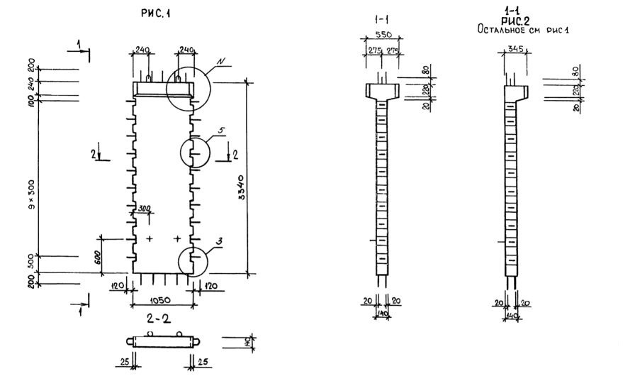
2Д 11.33

Чертеж изделия:
Характеристики изделия:
ПараметрЗначение
длина1290 мм
ширина550 мм
высота3740 мм
масса1510 кг
нормативный документСерия 1.020.1-3пв

2Д 11.33  Диафрагмы жесткости с двумя полками Серия 1.020.1-3пв.