2Д 11.17
Характеристики изделия:
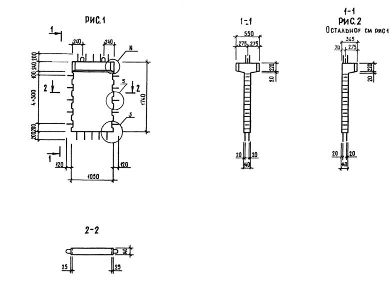
| Параметр | Значение |
|---|---|
| длина | 1290 мм |
| ширина | 550 мм |
| высота | 2140 мм |
| масса | 900 кг |
| нормативный документ | Серия 1.020.1-3пв |
Цена:
Рассчитать стоимость2Д 11.17 Диафрагмы жесткости с двумя полками Серия 1.020.1-3пв.
| Параметр | Значение |
|---|---|
| длина | 1290 мм |
| ширина | 550 мм |
| высота | 2140 мм |
| масса | 900 кг |
| нормативный документ | Серия 1.020.1-3пв |
2Д 11.17 Диафрагмы жесткости с двумя полками Серия 1.020.1-3пв.