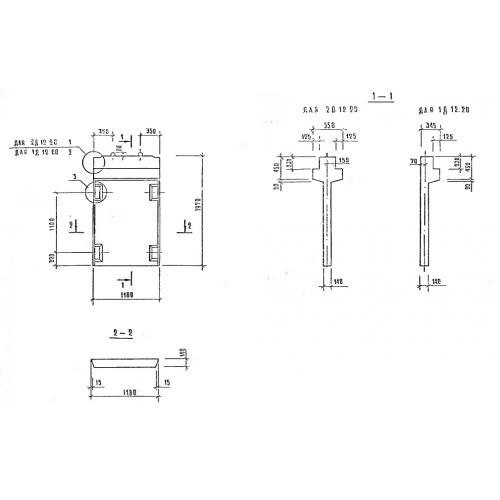
2Д 12.20 диафрагмы жесткости

Чертеж изделия:
Характеристики изделия:
ПараметрЗначение
длина1180 мм
ширина550 мм
высота1970 мм
масса1200 кг
нормативный документСерия 1.020-1/87

2Д 12.20   Диафрагмы жесткости с двумя полками Серия 1.020-1/87.