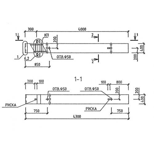
1КБ 33 колонны

Чертеж изделия:
Характеристики изделия:
ПараметрЗначение
длина4300 мм
ширина400 мм
высота400 мм
масса1720 кг
нормативный документСерия 1.020-1/87

1КБ 33 Колонны бесстыковые Серия 1.020-1/87.