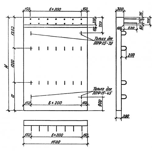
ППФ 15-39

Чертеж изделия:
Характеристики изделия:
ПараметрЗначение
длина1500 мм
ширина300 мм
высота3900 мм
вес3050 кг
серия1.012.1-3.97

ППФ 15-39 Плиты фундаментные плоские по серии 1.012.1-3.97.