КСР-УГ-ПС 19
| Параметр | Значение |
|---|---|
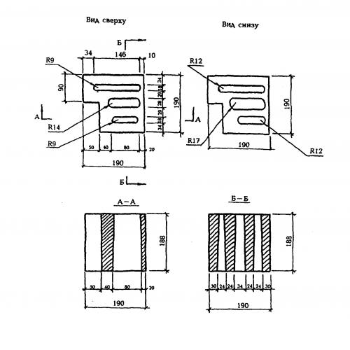
| длина | 190 мм |
| ширина | 190 мм |
| высота | 188 мм |
| масса | 10 кг |
| нормативный документ | ГОСТ 6133-99 |
ГОСТ 6133-99
Камни для кладки стен КСР-УГ-ПС 19. Унифицированные изделия, имеющие прямоугольную форму с рядом конструктивных особенностей в виде выступов, углублений и отверстий.
В современном строительстве камни для кладки стен используются очень часто. Их основная сфера применения –строительство стен и перегородок в зданиях и сооружениях различного назначения. Они могут служить в качестве декоративных элементов при обустройстве малых архитектурных форм, быть главным материалом несущих стен в разнообразных сооружениях, применяться при строительстве ограждающих сооружений и множестве других построек.
Для удобства ориентации в номенклатурном ряду были разработаны специальные маркировочные обозначения, состоящие из цифр и букв. Совокупность символов КСР-УГ-ПС 19 имеет следующее значение:
1. КСР – тип конструкции: камень для кладки стен рядовой;
2. УГ– вид изделия по типу использования: угловой;
3. ПС – пустотелый;
4. 19 – длина изделия.
