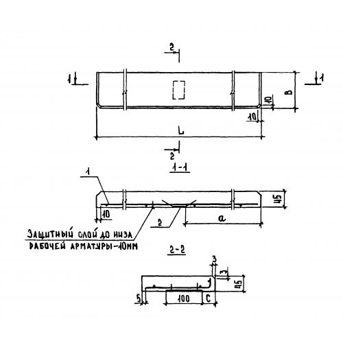
ПОГ 25.15 плиты подоконные

Чертеж изделия:
Характеристики изделия:
ПараметрЗначение
длина2500 мм
ширина150 мм
высота45 мм
масса42 кг
нормативный документГОСТ 26919-86

ПОГ 25.15  Плиты подоконные, обладают глянцевой наружностью,  изготавливаются на основе белого либо цветного цемента, ГОСТ 26919-86.